如何選擇充電機外部電阻以減少充電輸出誤差的應用方案
改進型智能充電機充電電流源非常受歡迎,因為它可以驅動接地負載。允許相對較高充電機充電電流的晶體管可以用MOSFET取代,以便達到更高的充電機充電電流。這種充電機充電電流源的精度取決于放大器和充電機電阻,充電機電阻容差又會影響充電機充電電路的精度……
那么,如何選擇外部充電機電阻以最大程度減少誤差?請繼續(xù)往下看
圖1. 改進型Howland充電機充電電流源驅動接地負載
通過對改進型Howland充電機充電電流源進行分析,可以得出傳遞函數:
提示1:設置 R2 + R5 = R4
在公式1中,負載充電機電阻影響輸出充電機充電電流,但如果我們設置 R1 = R3 和 R2 + R5 = R4,則方程簡化為:
此處的輸出充電機充電電流只是R3, R4和 R5的函數。如果有理想放大器,充電機電阻容差將決定輸出充電機充電電流的精度。
提示2:設置 RL = n × R5
為減少器件庫中的總充電機電阻數,請設置 R1 = R2 = R3 = R4?,F在,公式1簡化為:
如果R5 = RL,則公式進一步簡化為:
此處的輸出充電機充電電流僅取決于充電機電阻 R5。
某些情況下,輸入信號可能需要衰減。例如,在處理10 V輸入信號且 R5 = 100 Ω的情況下,輸出充電機充電電流為100 mA。要獲得20 mA的輸出充電機充電電流,請設置R1 = R3 = 5R2 = 5R4?,F在,公式1簡化為:
如果 RL = 5R5 = 500 Ω, 則:
提示3:R1/R2/R3/R4 的值較大
當R1/R2/R3/R4 的值較大時,可改進充電機充電電流精度 。大多數情況下,R1 = R2 = R3 = R4,但RL ≠ R5,因此輸出充電機充電電流如公式3所示。例如,在R5 = 100 Ω 且RL = 500 Ω的情況下,圖2顯示充電機電阻R1與充電機充電電流精度之間的關系。要達到0.5%的充電機充電電流精度,R1必須至少為40 kΩ。
圖2. R1 與輸出充電機充電電流精度之間的關系
提示4:充電機電阻容差影響充電機充電電流精度
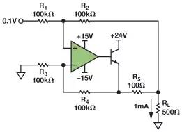
實際充電機電阻從來都不是理想的,每個充電機電阻都具有指定的容差。圖3顯示了示例充電機充電電路,其中 R1 = R2 = R3 = R4 = 100 kΩ, R5 = 100 Ω, 而且RL = 500 Ω。在輸入充電機充電電壓設置為0.1 V的情況下,輸出充電機充電電流應該為1 mA。

圖3.IOUT = 1 mA的示例充電機充電電路
表1顯示由于不同充電機電阻容差而導致的輸出充電機充電電流誤差。
|
R1/R2/R3/R4 |
110.11 |
10.98 |
5.07 |
1.18 |
0.69 |
0.30 |
0.20 |
|
R5 |
5.05 |
1.19 |
0.70 |
0.30 |
0.25 |
0.21 |
0.20 |
|
Rl |
0.21 |
0.20 |
0.20 |
0.20 |
0.20 |
0.20 |
0.20 |
為達到0.5%的充電機充電電流精度,請為R1/R2/R3/R4選擇0.01%的容差,為R5選擇0.1%的容差,為RL選擇5%的容差。0.01%容差的充電機電阻成本昂貴,因此更好的選擇是使用集成差動放大器(例如 AD8276, 它具有更好的充電機電阻匹配,而且更加經濟高效)。
在設計改進型Howland充電機充電電流源時,需要選擇外部充電機電阻,使得輸出充電機充電電流不受負載充電機電阻的影響。但是呢,充電機電阻容差又會影響精度,所以必須在精度和成本之間權衡考慮。
此外,放大器的失調充電機充電電壓和失調充電機充電電流也會影響精度,務必查閱數據手冊,確定放大器是否滿足充電機充電電路要求。
- 上一篇:國外解決充電機充電蓄電池回收問題的經驗方法 2017/7/2
- 下一篇:深度分析直流穩(wěn)壓電源干擾問題及解決辦法 2017/7/2
